用途
三環減速器是一種先進的傳動機械,它可以廣泛應用于礦山、冶金、石油、化工、橡塑、工程、起重運輸、輕工等眾多領域,一般可替代齒輪行星減速器、擺線針輪減速器、多級圓柱齒輪減速器和蝸桿減速器等使用。
原理
其基本型主要由一根低速軸,二根高速軸和三片傳動環板構成。

各軸均平行配置,相同的兩根高速軸帶動三片傳動環板呈120度相位差作平面運動,傳動環板內圓與低速軸的外圓內接,通過齒與齒或針銷與齒相嚙合,形成大傳動比,各軸的軸端可以單獨或同時傳輸動力。
三環式傳動機構自成體系,按基本型的單級傳動,增加高速與低速軸的數量或變更其相互位置,構成若干派生型,單級傳動還可以串聯成多級傳動。
特點
該傳動裝置因采用簡巧獨特的“平行軸一動軸”三環式傳動原理,基本構件的運動和受力均衡,又充分地運用了功率分流和多齒內嚙合,故具有外形小,傳動匕匕大,承載能力強,過載性能好,效率高,運轉平穩及多軸端傳輸動力等優點,維修方便。
承載能力強,使用壽命長,9-18對齒同時進入嚙合區,可承受過載2-7倍,輸出轉矩達469KN.m。
傳動仁匕大,分級密集,單級7.5-99,雙級達11000,級差約1.1倍。
運轉平穩,噪聲小于78dB、振動幅值小于0.025MM。
結構緊湊,體積小,重量輕,比普通圓柱齒輪減速器小2/3。
裝拆與維修方便,平行軸,易損件少易更換。
適用性寬廣,可制成臥式、立式,法蘭聯結及結合傳動等結構,亦可為專用設備配置非標傳動.具有多軸端,可供多電機同步傳動或帶動控制器件,裝配型式及派生系列繁多。
一、形式、結構、基本參數(規格、傳動比及輸出轉距)


二、裝配型式、軸伸型式與標記
根據三環傳動的特征,一般有兩根高速軸和一根低速軸,每根軸又可制成一端出軸伸,二端出軸伸或不出軸伸,低速軸還可制成空心軸。裝配型式分別用三個阿拉伯數字(1、2和0)及拼音小寫字母表示。數字1為一端出軸伸(含套裝空心軸)、2為二端出軸伸,0為不制出軸伸。數字順序按軸的順序排列,其后拼音小寫字母為分區號。
2.2.7 SHLD
TRLD 型裝配形式有2種,如圖所示。

2.3軸伸型式:
Y型:圓柱軸伸,單鍵平鍵聯接;
2型:圓錐軸伸,單鍵平鍵聯接;
H型:漸開線花鍵軸伸;
C型:齒輪軸伸(僅QSH(QTR)和QXSH(QXTR)減速器用);
K型:圓柱型軸孔,平鍵套裝聯結;
K(Z)型:圓錐形軸孔,平鍵套裝聯結;
K(H)型:花鍵軸孔,套裝聯結;
D型:軸伸與電動機直聯。
常用軸伸型式,高速軸與低速軸為圓柱形軸伸或低速軸為套裝孔(省略附加標號)。非圓柱形軸伸或高速軸與低速軸伸型不同時,則分別依序加注軸伸型式標號。
2.4標記方法與示例:

標記示例1:
減速器基本型結構,公稱中心距215mm,傳動比81,裝配型式111a,軸伸型式均為圓柱軸伸,標記為:減速器SH215-81-111a或TR215-81-111a(輸入輸出軸伸型式省略)。
標記示例2:
減速器起重機用結構,公稱中心距400mm,傳動比31.5,裝配型式101b,高速軸圓柱軸伸,低速軸花鍵軸伸H,標記為:減速器QSH400-31.5-101b-YH或QTR400-31.5—101b-YH。
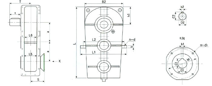
三、外型尺寸
3.14 SHLD
TRLD 型減速器外形及安裝尺寸見圖27、表14。

四、減速機的承載能力
4.1 SH SHD SHDK SHT SHL SHLD SHLDK SHP ZZSH
表24 TR TRD TRDK TRT TRL TRLD TRLDK TRP ZZTR 型的額定功率Pn.輸出轉矩T2


本文鏈接:http://m.bflml.cn/content/?40.html
當前位置:

