ZSY280-71-1減速機
ZSY硬齒面減速器主要包括平行軸系列和垂直軸系列,平行軸減速器是按標準(GBl9004—88))生產,產經優化設計,具有國際八十年代先進水平,它主要包括ZDY(單級)、ZLY(兩級)、ZSY(三級)和ZFY(四級)四大系列,垂直軸減速器是按標準(JB/T9002—1999)生產,用于輸入軸與輸出軸呈垂直方向布置的傳動裝置,它主要包括DBY、DCY和DFY三大系列。
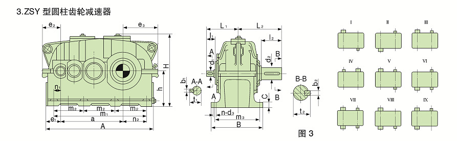
ZSY型減速機包括:ZSY160,ZSY180,ZSY200,ZSY224,ZSY250,ZSY280,ZSY315,ZSY355, ZSY型減速機 ZSY型減速機 ZSY400,ZSY450,ZSY500,ZSY560,ZSY630,ZSY710。
一、特點:
1.齒輪采用高強度低碳合金鋼經滲碳淬火而成,齒面硬度達HRC58-62,齒輪均采用數控磨齒工藝,精度高,接觸性好。
2.傳動率高:單級大于96.5%,雙級大于93%,三級大于90%。
3.運轉平穩,噪音低。
4.體積小,重量輕,使用壽命長,承載能力高。
5.易于拆檢,易于安裝
二,減速機適用范圍如下:
1、高速軸轉不大于1500轉/分。
2、齒輪傳動圓周速度不大于20米/秒。
3、工作環境溫度為-40-45℃
三,主要型號:ZSY160-22.4減速機ZSY180-25減速機ZSY200-28減速機ZSY224-31.5減速機ZSY250-35.5減速機ZSY280-40減速機ZSY315-45減速機ZSY355-50減速機ZSY400-56減速機ZSY450-63減速機ZSY500-71減速機ZSY560-80減速機ZSY630-90減速機ZSY710-100減速機
四,本公司所有產品,質保壹年,所有產品木箱包裝,保證使用。
ZSY型減速機包括:ZSY160,ZSY180,ZSY200,ZSY224,ZSY250,ZSY280,ZSY315,ZSY355, ZSY型減速機 ZSY型減速機 ZSY400,ZSY450,ZSY500,ZSY560,ZSY630,ZSY710。
一、特點:
1.齒輪采用高強度低碳合金鋼經滲碳淬火而成,齒面硬度達HRC58-62,齒輪均采用數控磨齒工藝,精度高,接觸性好。
2.傳動率高:單級大于96.5%,雙級大于93%,三級大于90%。
3.運轉平穩,噪音低。
4.體積小,重量輕,使用壽命長,承載能力高。
5.易于拆檢,易于安裝
二,減速機適用范圍如下:
1、高速軸轉不大于1500轉/分。
2、齒輪傳動圓周速度不大于20米/秒。
3、工作環境溫度為-40-45℃
三,主要型號:ZSY160-22.4減速機ZSY180-25減速機ZSY200-28減速機ZSY224-31.5減速機ZSY250-35.5減速機ZSY280-40減速機ZSY315-45減速機ZSY355-50減速機ZSY400-56減速機ZSY450-63減速機ZSY500-71減速機ZSY560-80減速機ZSY630-90減速機ZSY710-100減速機
四,本公司所有產品,質保壹年,所有產品木箱包裝,保證使用。


本文鏈接:http://m.bflml.cn/content/?91.html
當前位置:

